| New Products & Service | 構造解析/断面 | |
|
RC断面計算・3D配筋 部分係数法、限界状態設計法による鉄筋コンクリート断面計算プログラム 3DA対応
計算・CAD機能
3D配筋対応
電子納品
SXF3.1
IFC
3D PDF | ||
●新規価格
132,000円(税抜120,000円)
●リリース2023年10月
製品概要
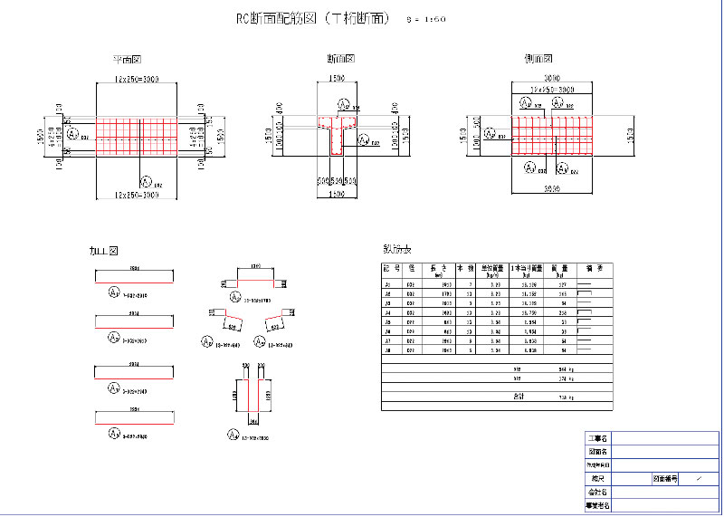
「RC断面計算(部分係数法・H29道示対応)」は、様々な断面形状を持つ鉄筋コンクリート断面の応力度計算と、部分係数法および限界状態設計法による断面照査を行うプログラムです。今回、3D配筋生成機能および図面作成機能に対応し、「RC断面計算・3D配筋(部分係数法・H29道示対応)」として新たにリリースしました。
3D配筋生成、図面作成
3D配筋生成では、入力した断面に部材長(奥行き幅)を与えることで、部材の配筋状況を3Dで表示します。3Dモデルの配筋状況は、対象部材の選択と断面ケースの入力情報に応じて決定され、任意に編集することも可能です。生成した3D配筋モデルはIFC形式等でのエクスポートに対応しています。
また、3D配筋モデルの一般図、加工図、鉄筋表などの図面作成にも対応しています。断面ケースが複数ある場合には、それぞれのケースから生成した3D配筋モデルの図面を一括で生成することが可能です。
従来製品からの改定内容
本製品では、従来の「RC断面計算(部分係数法・H29道示対応) Ver.4」から以下の機能追加を行いました。
(1)コーベルとしての照査に対応
「平成29年 道路橋示方書・同解説」(以下、道示)のⅢ編の規定に従い、コーベルとしての耐荷性能、耐久性能の照査に対応しました。
(2)橋梁防護柵に作用する衝突荷重に対する照査に対応
道示Ⅲ「9.6 橋梁防護柵に作用する衝突荷重に対する照査」に対応しました。床版の車両用防護柵への衝突により生じる曲げモーメントに対して、道示に規定された抵抗曲げモーメントを超えないことを照査します。
(3)鉄筋のひずみ硬化の考慮に対応
「設計要領第二集 カルバート 建設編(令和元年7月)NEXCO」、「道路プレキャストコンクリート工 耐震設計要領-カルバート編-(令和3年4月)RPCA」に示されている耐震性能の照査では、部材のM~φ特性の算定において、鉄筋のひずみ硬化を考慮することとされています。本製品でも、作用組合せに「EQ(地震時の影響)」を含み、塑性化を期待する場合において、鉄筋のひずみ硬化を考慮できるよう対応しました。
上記の他にも、ご要望への対応や利便性向上のための機能改善を行っています。
・部材の種類として気中部材を選択できるよう対応
・概要出力、一覧出力の出力項目の拡張
・断面ケースを他のプロジェクトにコピーできるよう改善
| (Up&Coming '23 秋の号掲載) |
|
|

LOADING